தொழில்துறை அமைச்சரவை கதவு பூட்டுவிநியோக அமைச்சரவை, தகவல் தொடர்பு அமைச்சரவை, கட்டுப்பாட்டு பெட்டி மற்றும் பிற உபகரணங்களின் முக்கிய பாதுகாப்பு கூறு ஆகும், இது உள் மின் கூறுகளின் பாதுகாப்பு மற்றும் அமைப்பின் நிலையான செயல்பாடு ஆகியவற்றுடன் நேரடியாக தொடர்புடையது.
டெலிவரி நேரம் மற்றும் வெவ்வேறு திட்டங்களுக்கான விவரக்குறிப்புகளின் பன்முகப்படுத்தப்பட்ட தேவைகளைப் பூர்த்தி செய்வதற்காக, எங்கள் நிறுவனம் எப்போதும் ஐந்து வகையான பொதுவாகப் பயன்படுத்தப்படும் பூட்டுகளை கையிருப்பில் கொண்டுள்ளது --நீண்ட பட்டை பூட்டு, பேனல் பூட்டு, தடி கட்டுப்பாட்டு பூட்டு, கைப்பிடி பூட்டு,ரோட்டரி நாக்கு பூட்டு. அதே நேரத்தில், வரைபடங்கள் அல்லது மாதிரிகளின்படி தனிப்பயனாக்கப்பட்ட எந்தவொரு தரமற்ற பூட்டையும் நாங்கள் ஆதரிக்கிறோம், இது அனைத்து வகையான உலோக விநியோக பெட்டிகளுக்கும் மிகவும் பொருத்தமானது.
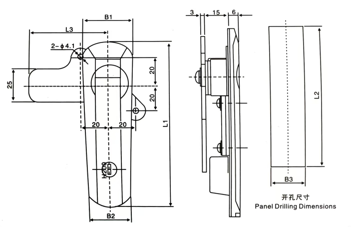
விமானப் பூட்டு என்பது தொழில்துறை அமைச்சரவை கதவு பூட்டுகளின் மிகவும் பொதுவான வகைகளில் ஒன்றாகும், இது அழகாகவும் பராமரிக்கவும் எளிதானது. எங்கள் நிறுவனம் AB301, AB302, AB303, AB402, AB403 தொடர் விமானப் பூட்டை அறிமுகப்படுத்தியது, கட்டமைப்பு வலிமை, பாதுகாப்பு செயல்திறன் மற்றும் வேறுபட்ட வடிவமைப்பின் இயக்க உணர்வு ஆகியவற்றில், விநியோக பெட்டியின் வெவ்வேறு குறிப்புகள், கட்டுப்பாட்டு அமைச்சரவை நிறுவல் தேவைகளைப் பூர்த்தி செய்ய முடியும்.
| பரிமாணங்கள் | தயாரிப்பு எண் | |||||||
| L1 | L2 | L3 | B1 | B2 | சாம்பல் குரோம் முலாம் | சாம்பல் தெளிப்பு வண்ணப்பூச்சு | கருப்பு தூள் பூசப்பட்டது | எடை(கிராம்) |
| 147 | 117 | 72 | 33 | 26.5 | AB301-1-1.2 | AB301-1-1.8 | ஏபி301 | 370 |
| 120.5 | 95.5 | 65 | 30 | 23.5 | AB301-2-1.2 | AB301-2-1.8 | ஏபி302 | 290 |
| 87.5 | 62.5 | 65 | 28.5 | 23.5 | AB301-3-1.2 | AB301-3-1.8 | ஏபி303 | 215 |
முக்கிய பொருள்: துத்தநாக கலவை.
மேற்பரப்பு சிகிச்சை: பிரகாசமான குரோம், மேட், கருப்பு.
செயல்பாடு மற்றும் பயன்பாடு: இடது மற்றும் வலது கதவு திறப்பை உணர்ந்து, பயன்படுத்த எளிதானது, சீல் மற்றும் நீர்ப்புகா செயல்பாடு.
முக்கிய பொருள்: துத்தநாக கலவை.
மேற்பரப்பு சிகிச்சை: பிரகாசமான குரோம், மேட், கருப்பு.
செயல்பாடு மற்றும் பயன்பாடு: இடது மற்றும் வலது கதவு திறப்பை உணர்ந்து, பயன்படுத்த எளிதானது, சீல் மற்றும் நீர்ப்புகா செயல்பாடு.
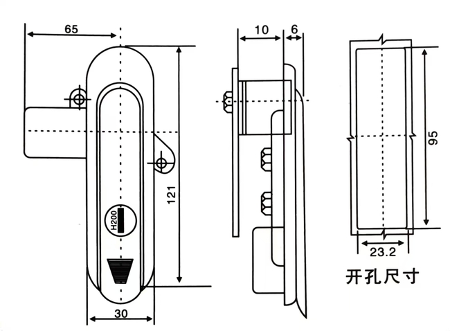
பொருள்: துத்தநாக அலாய் பூட்டு உடல், சுழலும் தண்டு, கால்வனேற்றப்பட்ட எஃகு போல்ட், அழுத்தம் தட்டு.
மேற்பரப்பு சிகிச்சை: வெள்ளி சாம்பல் நானோ தெளிப்பு.
கட்டமைப்பு விளக்கம்: திறக்க அல்லது பூட்ட 90 டிகிரி சுழற்று.
| மாதிரி | L1 | L2 | L3 | B1 | B2 | B3 |
| புதிய AB402-A | 123 | 95.5 | 65 | 36.5 | 30 | 23.5 |
| புதிய AB403-A | 91 | 62.5 | 65 | 33 | 28.5 | 23.5 |
| புதிய AB401-A | 151 | 117 | 72 | 36 | 30 | 26.5 |
